Zum Hauptinhalt springen Zur Suche springen Zur Hauptnavigation springen
Menü
Beschreibung

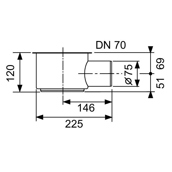
TECEdrainline Ablauf DN 70 Max BH 148mm seitlicher Anschluss Ablaufleistung 1,2 l/s 650002

  • Grosser Ablauf für TECEdrainline-Duschrinne zur drehbaren Montage am Rinnenkörper
  • zum seitlichen Anschluss an DN 70 Abwasserleitung
  • mit demontierbarem Siphontauchrohr
  • Aufbauhöhe Unterkante Ablauf bis Oberkante Duschrinne = 148 mm
  • Sperrwasserhöhe = 60 mm, gem. DIN EN 1253 > 50 mm
  • Bestellnummer: 650002

Ablaufleistung entspricht DIN EN 1253, bei 10/20 mm Aufstau über Rost:

  • Designrost "basic": 1,2/1,4 l/s
  • Designrost "steel II": 1,2/1,3 l/s
  • Fliesenmulde "plate" und "plate II": 1,1/1,2 l/s
Eigenschaften
Serie: TECEdrainline
Produktart: Bodenablauf
Sicherheitshinweise

Sicherheitshinweise

Bitte beachten Sie die folgenden Hinweise zur sicheren Nutzung der angebotenen Produkte.
Sie dienen der Vermeidung von Gefahren, Verletzungen sowie Sach- und Folgeschäden.

Die Nutzung darf ausschließlich bestimmungsgemäß und unter Beachtung aller mitgelieferten Produktinformationen erfolgen. Montage, Installation und Wartung dürfen – sofern erforderlich – nur durch qualifiziertes Fachpersonal durchgeführt werden.

Bewahren Sie alle sicherheitsrelevanten Informationen dauerhaft auf und geben Sie diese bei Weitergabe des Produkts an Dritte mit.

Sanitär- und Badprodukte

Sanitärprodukte stehen in direktem Zusammenhang mit der Trinkwasserversorgung und erfordern eine fachgerechte Installation.
Vor Beginn der Arbeiten ist die Wasserzufuhr vollständig abzusperren und das Leitungssystem drucklos zu machen.

Alle Verbindungen sind mit geeigneten Materialien fachgerecht abzudichten und nach der Montage sorgfältig auf Dichtheit zu prüfen. Bereits kleinste Undichtigkeiten können langfristig zu erheblichen Wasser- und Gebäudeschäden führen.

Bei Warmwasserinstallationen besteht Verbrühungsgefahr. Es wird empfohlen, geeignete Temperaturbegrenzungen oder Thermostatarmaturen einzusetzen.

Die geltenden Hygienevorschriften für Trinkwasserinstallationen sind einzuhalten. Verunreinigungen können gesundheitliche Risiken verursachen.

Bei Bade- und Duschsystemen besteht erhöhte Rutschgefahr, insbesondere bei Nässe. Geeignete Maßnahmen zur Rutschhemmung sollten berücksichtigt werden.

Unsachgemäße Montage oder Abdichtung von Duschen, Wannen oder Anschlüssen kann zu verdeckten Feuchtigkeitsschäden und Schimmelbildung führen.

Elektrische Komponenten und Systeme

Arbeiten an elektrischen Anlagen dürfen ausschließlich durch qualifizierte Elektrofachkräfte durchgeführt werden.

Vor Beginn von Arbeiten ist die Stromversorgung vollständig zu unterbrechen und gegen Wiedereinschalten zu sichern.

Elektrische Komponenten dürfen nicht mit Wasser oder Feuchtigkeit in Kontakt kommen, sofern sie nicht ausdrücklich dafür ausgelegt sind.

Beschädigte Kabel, Steckverbindungen oder Geräte dürfen nicht verwendet werden, da die Gefahr von Stromschlag oder Brand besteht.

Schwere und sperrige Produkte

Beim Transport und bei der Montage schwerer oder sperriger Produkte besteht eine erhöhte Verletzungsgefahr.

Der Transport sollte nach Möglichkeit durch mehrere Personen oder mit geeigneten Hilfsmitteln erfolgen.

Bei der Montage ist auf eine sichere Befestigung sowie auf die Tragfähigkeit von Wänden und Untergründen zu achten.

Unsachgemäße Handhabung kann zu Quetschungen, Stürzen oder Materialschäden führen.

Zusätzliche Hinweise

Die produktspezifischen Montageanleitungen, technischen Angaben und Sicherheitshinweise der jeweiligen Hersteller sind stets zu beachten und haben Vorrang.

Sicherheitshinweise

Sicherheitshinweise

Bitte beachten Sie die folgenden Hinweise zur sicheren Nutzung der angebotenen Produkte.
Sie dienen der Vermeidung von Gefahren, Verletzungen sowie Sach- und Folgeschäden.

Die Nutzung darf ausschließlich bestimmungsgemäß und unter Beachtung aller mitgelieferten Produktinformationen erfolgen. Montage, Installation und Wartung dürfen – sofern erforderlich – nur durch qualifiziertes Fachpersonal durchgeführt werden.

Bewahren Sie alle sicherheitsrelevanten Informationen dauerhaft auf und geben Sie diese bei Weitergabe des Produkts an Dritte mit.

Sanitär- und Badprodukte

Sanitärprodukte stehen in direktem Zusammenhang mit der Trinkwasserversorgung und erfordern eine fachgerechte Installation.
Vor Beginn der Arbeiten ist die Wasserzufuhr vollständig abzusperren und das Leitungssystem drucklos zu machen.

Alle Verbindungen sind mit geeigneten Materialien fachgerecht abzudichten und nach der Montage sorgfältig auf Dichtheit zu prüfen. Bereits kleinste Undichtigkeiten können langfristig zu erheblichen Wasser- und Gebäudeschäden führen.

Bei Warmwasserinstallationen besteht Verbrühungsgefahr. Es wird empfohlen, geeignete Temperaturbegrenzungen oder Thermostatarmaturen einzusetzen.

Die geltenden Hygienevorschriften für Trinkwasserinstallationen sind einzuhalten. Verunreinigungen können gesundheitliche Risiken verursachen.

Bei Bade- und Duschsystemen besteht erhöhte Rutschgefahr, insbesondere bei Nässe. Geeignete Maßnahmen zur Rutschhemmung sollten berücksichtigt werden.

Unsachgemäße Montage oder Abdichtung von Duschen, Wannen oder Anschlüssen kann zu verdeckten Feuchtigkeitsschäden und Schimmelbildung führen.

Elektrische Komponenten und Systeme

Arbeiten an elektrischen Anlagen dürfen ausschließlich durch qualifizierte Elektrofachkräfte durchgeführt werden.

Vor Beginn von Arbeiten ist die Stromversorgung vollständig zu unterbrechen und gegen Wiedereinschalten zu sichern.

Elektrische Komponenten dürfen nicht mit Wasser oder Feuchtigkeit in Kontakt kommen, sofern sie nicht ausdrücklich dafür ausgelegt sind.

Beschädigte Kabel, Steckverbindungen oder Geräte dürfen nicht verwendet werden, da die Gefahr von Stromschlag oder Brand besteht.

Schwere und sperrige Produkte

Beim Transport und bei der Montage schwerer oder sperriger Produkte besteht eine erhöhte Verletzungsgefahr.

Der Transport sollte nach Möglichkeit durch mehrere Personen oder mit geeigneten Hilfsmitteln erfolgen.

Bei der Montage ist auf eine sichere Befestigung sowie auf die Tragfähigkeit von Wänden und Untergründen zu achten.

Unsachgemäße Handhabung kann zu Quetschungen, Stürzen oder Materialschäden führen.

Zusätzliche Hinweise

Die produktspezifischen Montageanleitungen, technischen Angaben und Sicherheitshinweise der jeweiligen Hersteller sind stets zu beachten und haben Vorrang.

Produktsicherheit

Hersteller
TECE SE

Adresse
Hollefeldstr. 57
48282 Emsdetten
Deutschland

E-Mail
info@tece.de