Zum Hauptinhalt springen Zur Suche springen Zur Hauptnavigation springen
Menü

Beschreibung

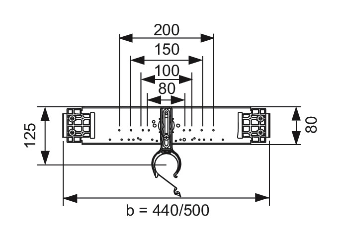
TECEprofil Anschlusseinheit für Waschtisch 9020048

  • TECEprofil Anschlusseinheit für
  • Waschtisch
  • schallentkoppelte Traverse aus
  • verzinktem Stahl, zur bauseitigen
  • Montage von Wandscheiben, inkl.
  • vormontiertem Abflusshalter, für den
  • Einbau in C-Profil-Wände
  • Bestell-Nr.: 9020048

Eigenschaften

Produktart: Anschlusseinheit
Anwendungsbereich: Waschtisch
Serie: TECEprofil

Datenblätter

Produktsicherheit
Angaben zur Produktsicherheit:

Hersteller
TECE SE

Adresse
Hollefeldstr. 57
48282 Emsdetten
Deutschland

E-Mail
info@tece.de

Eigenschaften

Produktart: Anschlusseinheit
Anwendungsbereich: Waschtisch
Serie: TECEprofil

Datenblätter