Zum Hauptinhalt springen Zur Suche springen Zur Hauptnavigation springen
Menü

Beschreibung

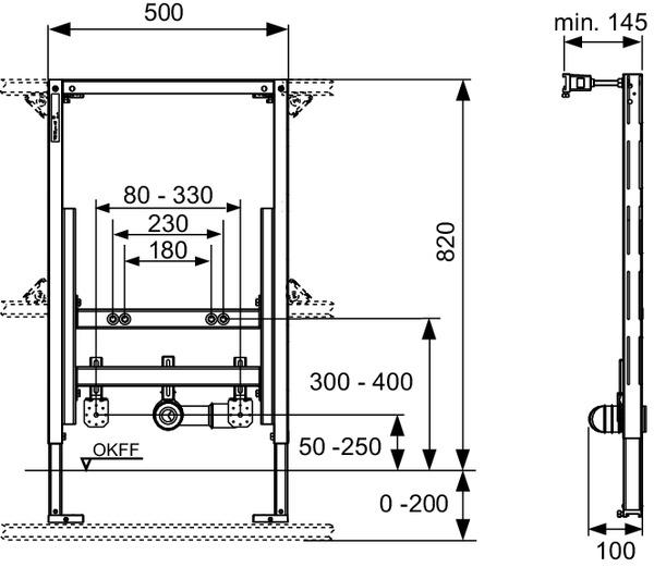
TECEprofil Bidetmodul BH 820 mm wandhängend 9330005

  • Bidetmodul TECEprofil für wandhängendes Bidet
  • Bauhöhe 820 mm
  • Zur Befestigung an TECEprofil- Profilrohren oder für den Einbau in Metall- oder Holzständerwände und als Vorwand- oder Eckmodul

Komplett vormontierte Einheit bestehend aus:

  • Selbsttragendem Montagerahmen mit pulverbeschichteter Oberfläche
  • Zwei verstellbaren Fussstützen für einen Fussbodenaufbau von 0 - 200 mm
  • Zwei Haltebolzen und Muttern M 12
  • Zwei verstellbaren Armaturen- anschlüssen 1/2 x 1/2 IG
  • Stufenlos höhenverstellbarer Abwasseranschluss
  • HT Ablaufbogen DN 50, mit Gummimanschette NW 30/50 (zugleich Dichtung)
  • Einschliesslich Bauschutzstopfen In Kombination mit der Teleskopbefestigung 9.380.001
  • Auch für die Bauhöhe 980mm in einer TECEprofil- Vorwand einsetzbar
  • Marke: TECE
  • Bestellnummer: 9.330.005

Bitte separat bestellen:

  • Befestigung für die einzelne Vorwand-, Eck-, oder Holzständermontage
  • Wandscheiben TECEflex 16x1/2 - Best.-Nr. 9.021.015 oder TECEflex 1/2 x 1/2 - Best.-Nr. 9.021.017
  • Teleskopbefestigung TECEprofil für Module, Best.-Nr. 9.380.001

Eigenschaften

Produktart: Bidetelement
Anwendungsbereich: Bidet
Bauhöhe: 820 mm
Serie: TECEprofil
Produktsicherheit
Angaben zur Produktsicherheit:

Hersteller
TECE SE

Adresse
Hollefeldstr. 57
48282 Emsdetten
Deutschland

E-Mail
info@tece.de

Eigenschaften

Produktart: Bidetelement
Anwendungsbereich: Bidet
Bauhöhe: 820 mm
Serie: TECEprofil