Zum Hauptinhalt springen Zur Suche springen Zur Hauptnavigation springen
Menü

Beschreibung

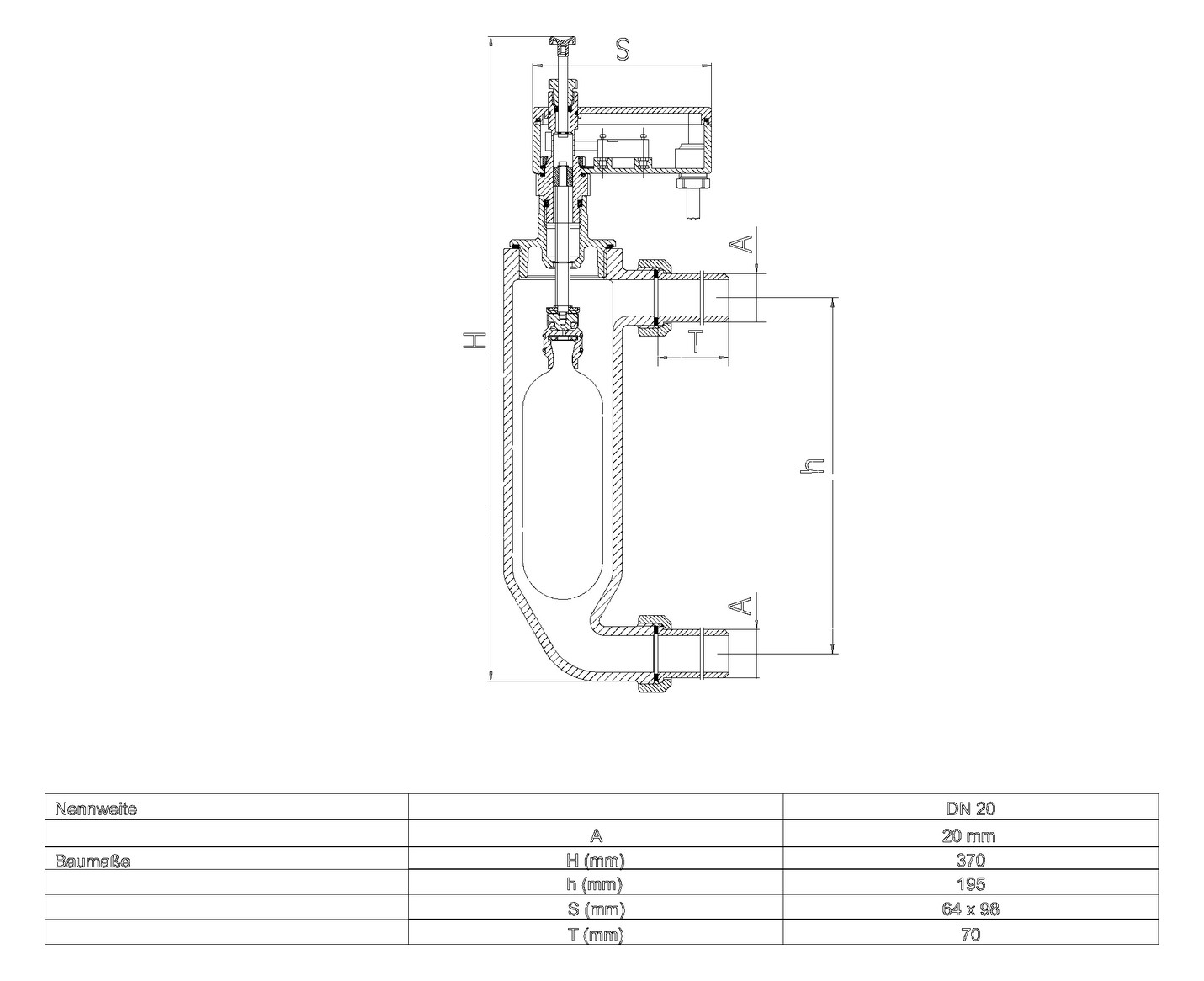
SYR Wasserstandbegrenzer DN 20 Typ 933.1 mit Verriegelung mit Anschlußkabel 2,5 Meter 0933.20.000

  • Wasserstandsbegrenzer 933.1
  • für geschlossene Heizungsanlagen entspricht DIN EN 12828
  • für Aussenanbau
  • für den Anbau an die Rohrleitung
  • Gehäuse GG 25, verzinkt
  • mit Anschweissverschraubungen DN 20
  • Schaltergehäuse aus Kunststoff
  • Schutzart IP65
  • elektrisch fertig verdrahtet
  • mit Anschlusskabel 2,5 Meter
  • Typ 933.1 mit Verriegelung
  • Schalteinheit drehbar und austauschbar ohne Entleerung der Anlage
  • Marke: SYR
  • Artikelnummer: 0933.20.000

Eigenschaften

Produktart: Wasserstandsbegrenzer
Produktsicherheit
Angaben zur Produktsicherheit:

Hersteller
Hans Sasserath GmbH & Co. KG

Adresse
Mühlenstrasse 62
41352 Korschenbroich
Deutschland

E-Mail
sasserath@syr.de

Eigenschaften

Produktart: Wasserstandsbegrenzer