Zum Hauptinhalt springen Zur Suche springen Zur Hauptnavigation springen
Menü

Beschreibung

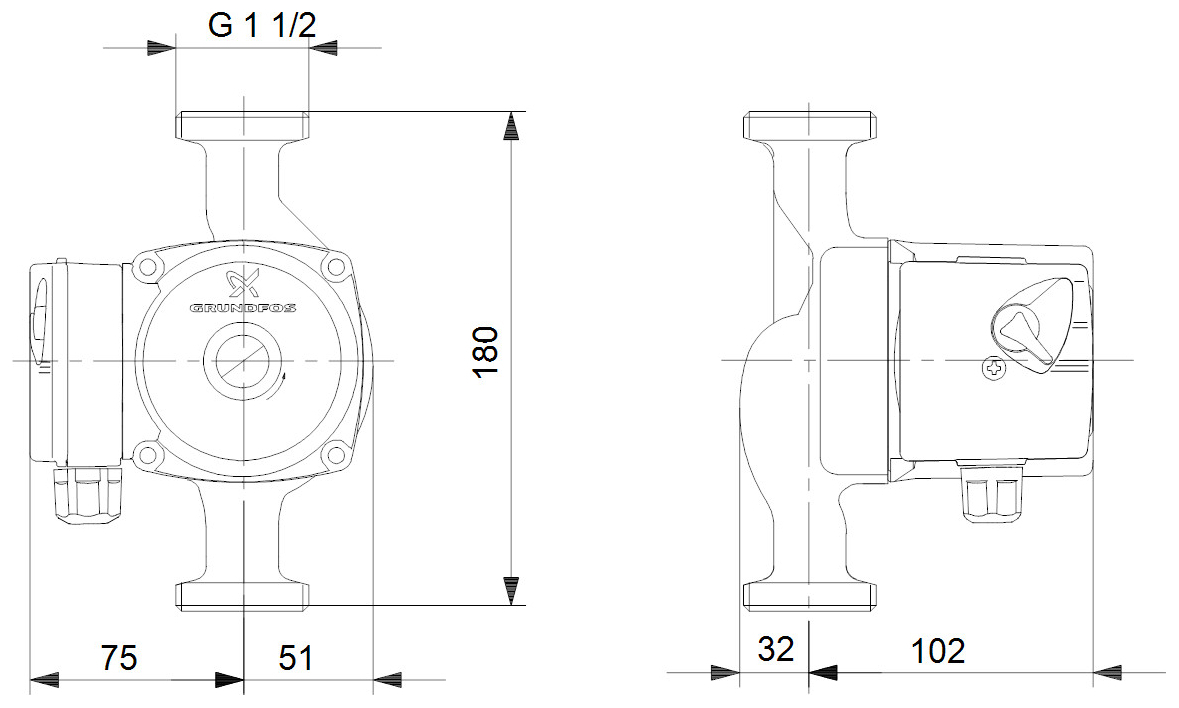
GRUNDFOS Zirkulationspumpe UPS 25-40 N 180mm, Edelstahl, 1x230V G 1 1/2, 96913060

Umwälzpumpe Typ: UPS 25-40 N 180

Umwälzpumpe mit 1-phasigem Naßläufermotor, Leistungsanpassung durch 3 Drehzahlstufen, Drehzahlstufen wählbar über Stufenschalter, externer Motorschutz erforderlich. Pumpe und Motor bilden eine Einheit, d.h. wartungsfreie Lagerschmierung durch das Fördermedium, Wellenabdichtung nicht erforderlich. Schalter ausgestattet.

Folgende Eigenschaften zeichnen die Pumpe aus:

  • Radiallager aus Keramik
  • Axiallager aus Kohle
  • Lagerplatte und Spaltrohrtopf aus nichtrostendem Stahl
  • Korrosionsbeständiges Laufrad , Verbundwerkstoff
  • Pumpengehäuse aus Edelstahl

Die Pumpe ist mit einem 1-phasigen Motor ausgerüstet. Dieser benötigt keinen weiteren, externen Motorschutz.

Fördermedium:

  • Fördermedium: Wasser
  • Medientemperaturbereich: 2 .. 110 °C
  • Medientemperatur während des Betriebs: 60 °C
  • Dichte: 983.2 kg/m³

Technische Daten:

  • Nennförderstrom: 1.67 m³/h
  • Nennförderhöhe: 2.03 m
  • Temperaturklasse: 110
  • Zulassungen: CE,VDE,EAC,WEEE

Werkstoffe:

  • Pumpengehäuse: Edelstahl
  • Pumpenmantel: EN 1.4308
  • Laufradwerkstoff: Verbundwerkstoff
  • Laufrad: PES+30% GF

Installation:

  • Umgebungstemperatur: 0 .. 40 °C
  • Max. Umgebungstemperatur bei 80 °C Medientemperatur: 40 °C
  • Max. Betriebsdruck: 10 bar
  • Anschlusstyp: G
  • Anschlussgröße: 1 1/2 inch
  • Nenndruckstufe: PN 10
  • Einbaulänge: 180 mm

Elektrische Daten:

  • Leistungsaufnahme P1 bei Drehzahlstufe 1: 25 W
  • Leistungsaufnahme P1 bei Drehzahlstufe 2: 35 W
  • Leistungsaufnahme P1 bei Drehzahlstufe 3: 45 W
  • Netzfrequenz: 50 Hz
  • Bemessungsspannung: 1 x 230 V
  • Strom bei Drehzahlstufe 1: 0.12 A
  • Strom bei Drehzahlstufe 2: 0.16 A
  • Stromaufnahme Drehzahlstufe 3: 0.2 A
  • Größe des Betriebskondensators: 1.5 µF
  • Schutzart (gemäß IEC 34-5): IP44
  • Isolationsklasse (IEC 85): F
  • Motorschutz: kein Motorschutz

Sonstiges:

  • Marke: Grundfos
  • Modell: UPS 25-40 N 180
  • Artikelnummer: 96913060

Eigenschaften

Produktart: Nassläuferpumpe
Anschlussgröße (DN): DN 25
Anschlussgröße (Rp): 1
Baubreite: 180 mm
Nennweite (G): 6/4 (= 1 1/2)
Serie: UPS
Produktsicherheit
Angaben zur Produktsicherheit:

Hersteller
Grundfos GmbH

Adresse
Schlüterstraße 33
40699 Erkrath
Deutschland

E-Mail
infoservice@grundfos.com

Eigenschaften

Produktart: Nassläuferpumpe
Anschlussgröße (DN): DN 25
Anschlussgröße (Rp): 1
Baubreite: 180 mm
Nennweite (G): 6/4 (= 1 1/2)
Serie: UPS