Zum Hauptinhalt springen Zur Suche springen Zur Hauptnavigation springen
Menü

Beschreibung

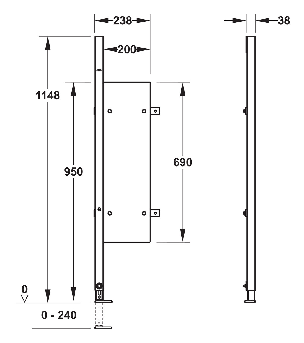
MEPA nextVIT für Stütz- und Stützklappgriffe, Bauhöhe 120 cm 549016

Verwendungszweck:

  • Vormontiertes Montageelement für Stütz- oder Stützklappgriffe
  • Für Trockenbaumontage
  • Zur Einzelmontage vor eine Massiv- oder in eine Ständerleichtbauwand
  • Zur Schienenmontage vor eine Massiv- oder vor eine Ständerleichtbauwand
  • Zur Montage entspricht DIN 18 040

Eigenschaften:

  • Systembauhöhe 1200 mm
  • Selbsttragendes Montageelement
  • Geeignet zur Beplankung mit Gipsfaser- oder Gipskartonplatten
  • Pulverbeschichtete Stütze
  • Höhenverstellbare Fußstütze 0-240 mm mit integrierter Rutschhemmung
  • Fußplatte drehbar
  • Bohrfehler ausgleichend Tiefe passend zum Einbau in UW-Profil UW 50 und UW 75 und MEPA-C-Profil
  • Meterrissmarkierung zur exakten Ausrichtung der Montagehöhe des Elementes

Lieferumfang:

  • 1 x Stütze
  • Schichtholzplatte 200x690x38 mm
  • Befestigungsmaterial
  • Hersteller: MEPA Pauli und Menden GmbH
  • Typ: nextVIT
  • Artikelnummer: 549016

Zubehör:

  • Montageset zur Einzelmontage vor Massivwand und zur Montage in Ständerleichtbauwand (Art.Nr. 541025)

Hinweise:

  • Umbaubar für linken oder rechten Anschluss an seitlich anschließendes Montageelement oder Einzelstütze

Sicherheitshinweise

Sicherheitshinweise

Bitte beachten Sie die folgenden Hinweise zur sicheren Nutzung der angebotenen Produkte.
Sie dienen der Vermeidung von Gefahren, Verletzungen sowie Sach- und Folgeschäden.

Die Nutzung darf ausschließlich bestimmungsgemäß und unter Beachtung aller mitgelieferten Produktinformationen erfolgen. Montage, Installation und Wartung dürfen – sofern erforderlich – nur durch qualifiziertes Fachpersonal durchgeführt werden.

Bewahren Sie alle sicherheitsrelevanten Informationen dauerhaft auf und geben Sie diese bei Weitergabe des Produkts an Dritte mit.

Entwässerungs- und Abwassersysteme

Entwässerungssysteme müssen fachgerecht installiert werden, um einen sicheren Abfluss von Abwasser zu gewährleisten.

Alle Verbindungen sind dicht auszuführen. Undichtigkeiten können zu erheblichen Gebäudeschäden führen.

Es ist auf mögliche Rückstauereignisse zu achten. Gegebenenfalls sind geeignete Rückstausicherungen zu installieren.

Zur Beseitigung von Verstopfungen dürfen keine ungeeigneten oder aggressiven chemischen Mittel verwendet werden, da diese Materialien angreifen können.

Regelmäßige Wartung und Kontrolle sind erforderlich, um Funktionsstörungen und Schäden zu vermeiden.

Elektrische Komponenten und Systeme

Arbeiten an elektrischen Anlagen dürfen ausschließlich durch qualifizierte Elektrofachkräfte durchgeführt werden.

Vor Beginn von Arbeiten ist die Stromversorgung vollständig zu unterbrechen und gegen Wiedereinschalten zu sichern.

Elektrische Komponenten dürfen nicht mit Wasser oder Feuchtigkeit in Kontakt kommen, sofern sie nicht ausdrücklich dafür ausgelegt sind.

Beschädigte Kabel, Steckverbindungen oder Geräte dürfen nicht verwendet werden, da die Gefahr von Stromschlag oder Brand besteht.

Schwere und sperrige Produkte

Beim Transport und bei der Montage schwerer oder sperriger Produkte besteht eine erhöhte Verletzungsgefahr.

Der Transport sollte nach Möglichkeit durch mehrere Personen oder mit geeigneten Hilfsmitteln erfolgen.

Bei der Montage ist auf eine sichere Befestigung sowie auf die Tragfähigkeit von Wänden und Untergründen zu achten.

Unsachgemäße Handhabung kann zu Quetschungen, Stürzen oder Materialschäden führen.

Hinweis

Die produktspezifischen Montageanleitungen, technischen Angaben und Sicherheitshinweise der jeweiligen Hersteller sind stets zu beachten und haben Vorrang.

Produktsicherheit

Hersteller
MEPA - Pauli und Menden GmbH

Adresse
Rolandsecker Weg 37
53619 Rheinbreitbach
Deutschland

E-Mail
info@mepa.de

Eigenschaften

Serie: nextVIT
Produktart: Haltegriffe, Stützgriffe
Anwendungsbereich: Stützgriffe
Bauhöhe: 1200 mm

Sicherheitshinweise

Sicherheitshinweise

Bitte beachten Sie die folgenden Hinweise zur sicheren Nutzung der angebotenen Produkte.
Sie dienen der Vermeidung von Gefahren, Verletzungen sowie Sach- und Folgeschäden.

Die Nutzung darf ausschließlich bestimmungsgemäß und unter Beachtung aller mitgelieferten Produktinformationen erfolgen. Montage, Installation und Wartung dürfen – sofern erforderlich – nur durch qualifiziertes Fachpersonal durchgeführt werden.

Bewahren Sie alle sicherheitsrelevanten Informationen dauerhaft auf und geben Sie diese bei Weitergabe des Produkts an Dritte mit.

Entwässerungs- und Abwassersysteme

Entwässerungssysteme müssen fachgerecht installiert werden, um einen sicheren Abfluss von Abwasser zu gewährleisten.

Alle Verbindungen sind dicht auszuführen. Undichtigkeiten können zu erheblichen Gebäudeschäden führen.

Es ist auf mögliche Rückstauereignisse zu achten. Gegebenenfalls sind geeignete Rückstausicherungen zu installieren.

Zur Beseitigung von Verstopfungen dürfen keine ungeeigneten oder aggressiven chemischen Mittel verwendet werden, da diese Materialien angreifen können.

Regelmäßige Wartung und Kontrolle sind erforderlich, um Funktionsstörungen und Schäden zu vermeiden.

Elektrische Komponenten und Systeme

Arbeiten an elektrischen Anlagen dürfen ausschließlich durch qualifizierte Elektrofachkräfte durchgeführt werden.

Vor Beginn von Arbeiten ist die Stromversorgung vollständig zu unterbrechen und gegen Wiedereinschalten zu sichern.

Elektrische Komponenten dürfen nicht mit Wasser oder Feuchtigkeit in Kontakt kommen, sofern sie nicht ausdrücklich dafür ausgelegt sind.

Beschädigte Kabel, Steckverbindungen oder Geräte dürfen nicht verwendet werden, da die Gefahr von Stromschlag oder Brand besteht.

Schwere und sperrige Produkte

Beim Transport und bei der Montage schwerer oder sperriger Produkte besteht eine erhöhte Verletzungsgefahr.

Der Transport sollte nach Möglichkeit durch mehrere Personen oder mit geeigneten Hilfsmitteln erfolgen.

Bei der Montage ist auf eine sichere Befestigung sowie auf die Tragfähigkeit von Wänden und Untergründen zu achten.

Unsachgemäße Handhabung kann zu Quetschungen, Stürzen oder Materialschäden führen.

Hinweis

Die produktspezifischen Montageanleitungen, technischen Angaben und Sicherheitshinweise der jeweiligen Hersteller sind stets zu beachten und haben Vorrang.