Zum Hauptinhalt springen Zur Suche springen Zur Hauptnavigation springen
Menü
Beschreibung

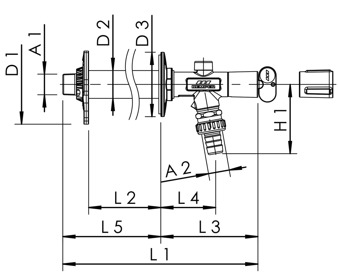
KEMPER FROSTI frostsichere Außenarmatur 3/4'' Rotguss 150-415mm mit Steckschlüssel 578 03 020

FROSTI® Frostsichere Außenarmatur mit Steckschlüssel

Bausatzausführung, Figur 578 03

  • Geeignet für die Rohbauinstallation und für die nachträgliche Installation bei bereits fertiggestellter Außenwand
  • Im geschlossenen Zustand mediumberührte Metallteile aus entzinkungsfreiem und korrosionsbeständigem Rotguss, beständig gegen aggressives Wasser
  • Universelle Baulänge für alle gängigen Einbautiefen
  • Innenoberteil für schnellen Öffnungsvorgang (zwei Umdrehungen)
  • Kegel mit innenliegender RV-Feder
  • EPDM-Sitzdichtung
  • Verlängerbar durch optional erhältliches Verlängerungsset
  • Integrierter RV und Rohrbelüfter als Sicherungskombination HD
  • Eingang Rohraußengewinde
  • Totraumfrei
  • Hohe Auslaufleistung bis zu 45 l / min (1 bar)
  • Auslaufgehäuse mit Montageflächen
  • Inklusive Schlauchkupplung für gängige Stecksysteme
  • Inklusive diebstahlgeschütztem Funktionsbelüfter zur automatischen Entleerung
  • Inklusive fixiertem Verdrehschutz
  • Inklusive zweiteiliger Wandscheibe für wandbündigen Abschluss
  • Inklusive diebstahlgeschütztem Steckschlüsseloberteil
  • DVGW-Zulassung entsprechend DIN EN 17821
  • Kunststoffteile entspricht KTW- und W 270-Zulassung
  • Schallschutzzulassung entsprechend DIN EN ISO 3822 Klasse 1, DIN EN 1717
  • Min. Einbautiefe 150 mm
  • Max. Einbautiefe 415 mm
  • Max. Betriebstemperatur 65 °C
  • Anschluss Außengewinde DN 20 (3/4'')
  • Druckstufe PN 16
  • Marke: Kemper
  • Figur/Modell: 578 03
  • Artikelnummer: 5780302000

Hinweis: Nachfolger der FROSTI-PLUS Figur/Modell 574 03

Eigenschaften
Serie: Frosti
Produktart: Aussenarmatur
Abmessung (DN): DN 20
Abmessung (Zoll): 3/4"
Baubreite (mm): 150-415 mm
Sicherheitshinweise

Sicherheitshinweise

Bitte beachten Sie die folgenden Hinweise zur sicheren Nutzung der angebotenen Produkte.
Sie dienen der Vermeidung von Gefahren, Verletzungen sowie Sach- und Folgeschäden.

Die Nutzung darf ausschließlich bestimmungsgemäß und unter Beachtung aller mitgelieferten Produktinformationen erfolgen. Montage, Installation und Wartung dürfen – sofern erforderlich – nur durch qualifiziertes Fachpersonal durchgeführt werden.

Bewahren Sie alle sicherheitsrelevanten Informationen dauerhaft auf und geben Sie diese bei Weitergabe des Produkts an Dritte mit.

Entwässerungs- und Abwassersysteme

Entwässerungssysteme müssen fachgerecht installiert werden, um einen sicheren Abfluss von Abwasser zu gewährleisten.

Alle Verbindungen sind dicht auszuführen. Undichtigkeiten können zu erheblichen Gebäudeschäden führen.

Es ist auf mögliche Rückstauereignisse zu achten. Gegebenenfalls sind geeignete Rückstausicherungen zu installieren.

Zur Beseitigung von Verstopfungen dürfen keine ungeeigneten oder aggressiven chemischen Mittel verwendet werden, da diese Materialien angreifen können.

Regelmäßige Wartung und Kontrolle sind erforderlich, um Funktionsstörungen und Schäden zu vermeiden.

Elektrische Komponenten und Systeme

Arbeiten an elektrischen Anlagen dürfen ausschließlich durch qualifizierte Elektrofachkräfte durchgeführt werden.

Vor Beginn von Arbeiten ist die Stromversorgung vollständig zu unterbrechen und gegen Wiedereinschalten zu sichern.

Elektrische Komponenten dürfen nicht mit Wasser oder Feuchtigkeit in Kontakt kommen, sofern sie nicht ausdrücklich dafür ausgelegt sind.

Beschädigte Kabel, Steckverbindungen oder Geräte dürfen nicht verwendet werden, da die Gefahr von Stromschlag oder Brand besteht.

Schwere und sperrige Produkte

Beim Transport und bei der Montage schwerer oder sperriger Produkte besteht eine erhöhte Verletzungsgefahr.

Der Transport sollte nach Möglichkeit durch mehrere Personen oder mit geeigneten Hilfsmitteln erfolgen.

Bei der Montage ist auf eine sichere Befestigung sowie auf die Tragfähigkeit von Wänden und Untergründen zu achten.

Unsachgemäße Handhabung kann zu Quetschungen, Stürzen oder Materialschäden führen.

Zusätzliche Hinweise

Die produktspezifischen Montageanleitungen, technischen Angaben und Sicherheitshinweise der jeweiligen Hersteller sind stets zu beachten und haben Vorrang.

Sicherheitshinweise

Sicherheitshinweise

Bitte beachten Sie die folgenden Hinweise zur sicheren Nutzung der angebotenen Produkte.
Sie dienen der Vermeidung von Gefahren, Verletzungen sowie Sach- und Folgeschäden.

Die Nutzung darf ausschließlich bestimmungsgemäß und unter Beachtung aller mitgelieferten Produktinformationen erfolgen. Montage, Installation und Wartung dürfen – sofern erforderlich – nur durch qualifiziertes Fachpersonal durchgeführt werden.

Bewahren Sie alle sicherheitsrelevanten Informationen dauerhaft auf und geben Sie diese bei Weitergabe des Produkts an Dritte mit.

Entwässerungs- und Abwassersysteme

Entwässerungssysteme müssen fachgerecht installiert werden, um einen sicheren Abfluss von Abwasser zu gewährleisten.

Alle Verbindungen sind dicht auszuführen. Undichtigkeiten können zu erheblichen Gebäudeschäden führen.

Es ist auf mögliche Rückstauereignisse zu achten. Gegebenenfalls sind geeignete Rückstausicherungen zu installieren.

Zur Beseitigung von Verstopfungen dürfen keine ungeeigneten oder aggressiven chemischen Mittel verwendet werden, da diese Materialien angreifen können.

Regelmäßige Wartung und Kontrolle sind erforderlich, um Funktionsstörungen und Schäden zu vermeiden.

Elektrische Komponenten und Systeme

Arbeiten an elektrischen Anlagen dürfen ausschließlich durch qualifizierte Elektrofachkräfte durchgeführt werden.

Vor Beginn von Arbeiten ist die Stromversorgung vollständig zu unterbrechen und gegen Wiedereinschalten zu sichern.

Elektrische Komponenten dürfen nicht mit Wasser oder Feuchtigkeit in Kontakt kommen, sofern sie nicht ausdrücklich dafür ausgelegt sind.

Beschädigte Kabel, Steckverbindungen oder Geräte dürfen nicht verwendet werden, da die Gefahr von Stromschlag oder Brand besteht.

Schwere und sperrige Produkte

Beim Transport und bei der Montage schwerer oder sperriger Produkte besteht eine erhöhte Verletzungsgefahr.

Der Transport sollte nach Möglichkeit durch mehrere Personen oder mit geeigneten Hilfsmitteln erfolgen.

Bei der Montage ist auf eine sichere Befestigung sowie auf die Tragfähigkeit von Wänden und Untergründen zu achten.

Unsachgemäße Handhabung kann zu Quetschungen, Stürzen oder Materialschäden führen.

Zusätzliche Hinweise

Die produktspezifischen Montageanleitungen, technischen Angaben und Sicherheitshinweise der jeweiligen Hersteller sind stets zu beachten und haben Vorrang.

Produktsicherheit

Hersteller
Gebr. Kemper GmbH + Co. KG

Adresse
Harkortstraße 5
57462 Olpe
Deutschland

E-Mail
info@kemper-group.com

Produktgalerie überspringen

Zubehörartikel

KEMPER FROSTI abschließbarer Bediengriff 578 00 003, für Außenarmatur 578 und 579 - Bild 1
Art.-Nr. 5780000300
KEMPER FROSTI abschließbarer Bediengriff 578 00 003, für Außenarmatur 578 und 579

Auf Lager
Lieferzeit: 3-5 Werktage

Regulärer Preis: 46,30 €
KEMPER FROSTI Verlängerung 578 00 002, kürzbar 30-250 mm, für frostsichere Außenarmatur 574/578 - Bild 1
Art.-Nr. 5780000200
KEMPER FROSTI Verlängerung 578 00 002, kürzbar 30-250 mm, für frostsichere Außenarmatur 574/578

Auf Lager
Lieferzeit: 3-5 Werktage

Regulärer Preis: 44,50 €
KEMPER FROSTI Steckschlüssel 578 00 004, für frostsichere Außenarmatur 574/577 - Bild 1
Art.-Nr. 5780000400
KEMPER FROSTI Steckschlüssel 578 00 004, für frostsichere Außenarmatur 574/577

Auf Lager
Lieferzeit: 3-5 Werktage

Regulärer Preis: 17,80 €
KEMPER FROSTI abschließbarer Bediengriff gleichschließend 578 02 003, für Außenarmatur 578 und 579 - Bild 1
Art.-Nr. 5780200300
KEMPER FROSTI abschließbarer Bediengriff gleichschließend 578 02 003, für Außenarmatur 578 und 579

Bestellware
Lieferzeit: 10-15 Werktage

Regulärer Preis: 52,90 €
KEMPER FROSTI Befestigungs-Set 578 00 005, für frostsichere Außenarmatur 574/578 - Bild 1
Art.-Nr. 5780000500
KEMPER FROSTI Befestigungs-Set 578 00 005, für frostsichere Außenarmatur 574/578

Auf Lager
Lieferzeit: 3-5 Werktage

Regulärer Preis: 13,90 €
KEMPER FROSTI Sonderverlängerung 578 03 005, zum nachträglichen Verlängern  - Bild 1
Art.-Nr. 5780300500
KEMPER FROSTI Sonderverlängerung 578 03 005, zum nachträglichen Verlängern

Bestellware
Lieferzeit: 10-15 Werktage

Regulärer Preis: 149,90 €