Zum Hauptinhalt springen Zur Suche springen Zur Hauptnavigation springen
Menü

Beschreibung

JUDO Verschleißteilset 2201032, für Enthärtungsanlage Bioquell JBQ-Serie

  • Verschleißteilset für Enthärtungsanlagen der Serie JBQ
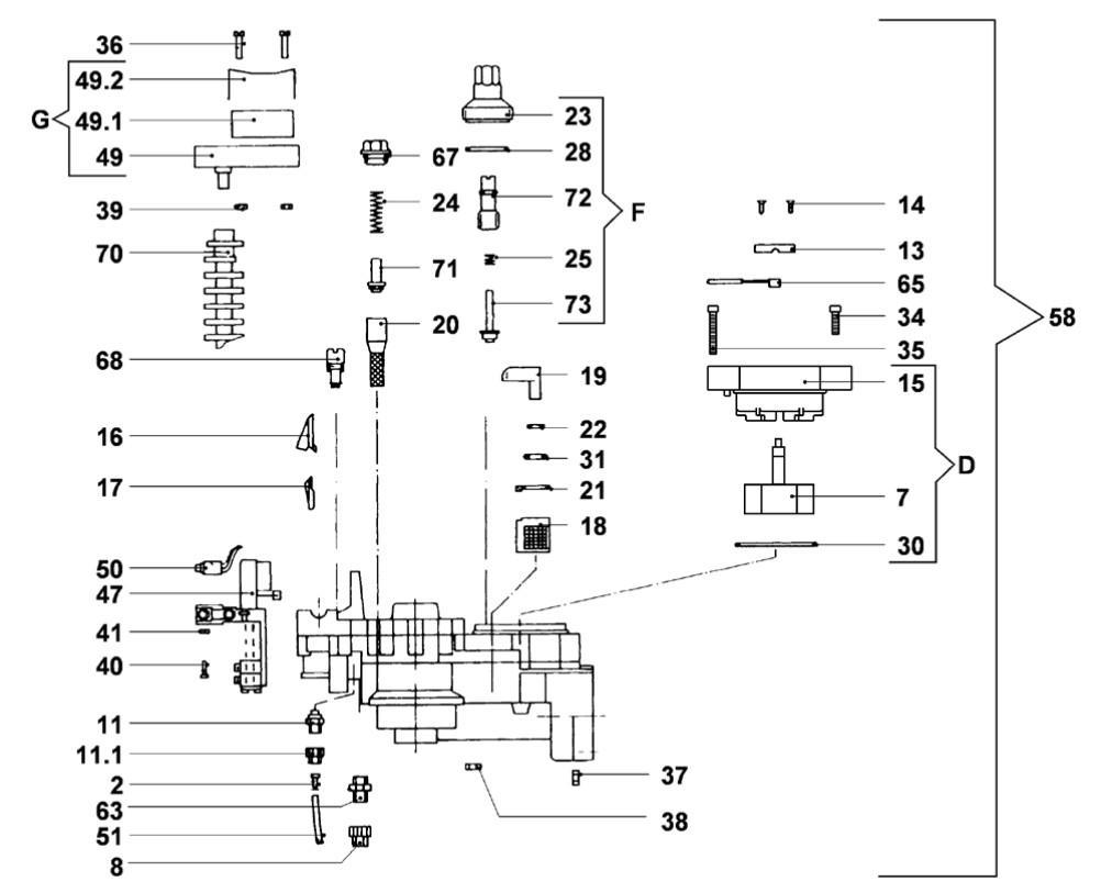
  • bestehend aus Pos. 2, 4, 9, 20, 27, 44, 67, 69 und 71 (siehe Abbildung)

bestehend aus:

  • Fülldüse
  • Schutzrohr   
  • Schwimmerventildichtung
  • RV-Siebeinsatz
  • Kabelbinder
  • RV-Stopfen komplett
  • Saugkontrollhülse komplett
  • Rückschlagventil komplett
  • Hersteller: Judo
  • Artikelnummer: 2201032

Sicherheitshinweise

Sicherheitshinweise

Bitte beachten Sie die folgenden Hinweise zur sicheren Nutzung der angebotenen Produkte. Sie dienen der Vermeidung von Verletzungen sowie Sach- und Folgeschäden.

Die Verwendung darf nur bestimmungsgemäß und gemäß den jeweiligen Produktinformationen erfolgen. Montage, Installation und Wartung sind – sofern erforderlich – durch qualifiziertes Fachpersonal durchzuführen.

Vor Arbeiten an Produkten mit Energie- oder Medienanschluss (z. B. Strom, Wasser) sind diese vollständig zu unterbrechen und gegen Wiedereinschalten zu sichern.

Produkte sind regelmäßig auf Beschädigungen und einwandfreie Funktion zu überprüfen. Beschädigte oder fehlerhafte Teile dürfen nicht verwendet werden.

Bei Transport und Montage schwerer oder sperriger Artikel besteht Verletzungsgefahr. Geeignete Hilfsmittel oder zusätzliche Personen sollten eingesetzt werden.

Alle sicherheitsrelevanten Informationen sind aufzubewahren und bei Weitergabe des Produkts mitzugeben.

Die jeweiligen Herstellerangaben und produktspezifischen Sicherheitshinweise sind stets zu beachten und haben Vorrang.

Produktsicherheit

Hersteller
JUDO Wasseraufbereitung GmbH

Adresse
Hohreuschstraße 39-41
71364 Winnenden
Deutschland

E-Mail
info@judo.eu

Eigenschaften

Produktart: Verschleißteilset

Sicherheitshinweise

Sicherheitshinweise

Bitte beachten Sie die folgenden Hinweise zur sicheren Nutzung der angebotenen Produkte. Sie dienen der Vermeidung von Verletzungen sowie Sach- und Folgeschäden.

Die Verwendung darf nur bestimmungsgemäß und gemäß den jeweiligen Produktinformationen erfolgen. Montage, Installation und Wartung sind – sofern erforderlich – durch qualifiziertes Fachpersonal durchzuführen.

Vor Arbeiten an Produkten mit Energie- oder Medienanschluss (z. B. Strom, Wasser) sind diese vollständig zu unterbrechen und gegen Wiedereinschalten zu sichern.

Produkte sind regelmäßig auf Beschädigungen und einwandfreie Funktion zu überprüfen. Beschädigte oder fehlerhafte Teile dürfen nicht verwendet werden.

Bei Transport und Montage schwerer oder sperriger Artikel besteht Verletzungsgefahr. Geeignete Hilfsmittel oder zusätzliche Personen sollten eingesetzt werden.

Alle sicherheitsrelevanten Informationen sind aufzubewahren und bei Weitergabe des Produkts mitzugeben.

Die jeweiligen Herstellerangaben und produktspezifischen Sicherheitshinweise sind stets zu beachten und haben Vorrang.