Zum Hauptinhalt springen Zur Suche springen Zur Hauptnavigation springen
Menü

Beschreibung

Thermische Ablaufsicherung 3/4'' Messing mit Tauchhülse 1/2'', Kapillarrohr 1,3 Meter

Thermische Ablaufsicherung entspricht DIN EN 14597-2

  • Zur Absicherung von Feststoff-oder Wechselbrandkesseln in geschlossenen Heizungsanlagen entsprechend DIN EN 12828
  • Öffnet beim Erreichen der Ansprechtemperatur und führt Kaltwasser zur Abkühlung des Kessels zu
  • Gehäuse aus Messing, gelb
  • Mit Doppelfühler und Tauchhülse DN 15
  • Mit Kapillarrohr 1,3 Meter
  • Artikelnummer: 27906.13

Technische Daten:

  • Max. Heizleistung der Anlage 100 kW
  • Ansprechtemperatur: 95°C
  • Arbeitsdruck: max. 10 bar
  • Fühlertemperaturen max.: 80°C / 125°C / 125°C
  • Umgebungstemperatur Schaltkopf: 0...60°C
  • Medium: Wasser
  • Anschlüsse: G 3/4”
  • Schutzrohr: G 1/2”
  • Durchflussleistung bei ΔP 1 bar:
  • bei Öffnungstemperatur 55°C: 1,60 m3/h
  • bei Öffnungstemperatur 95°C: 1,35 m3/h
  • bei Öffnungstemperatur 108°C: 1,74 m3/h

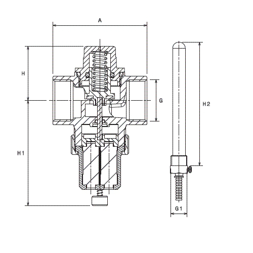
Abmessungen:

  • A: 60 mm
  • H: 34,5 mm
  • H1: 67,1 mm
  • H2: 157,5 mm
  • G: 3/4"
  • G1: 1/2"

Eigenschaften

Produktart: TAS, Thermische Ablaufsicherung
Abmessung (DN): DN 20
Abmessung (Zoll): 3/4"

Datenblätter

Produktsicherheit
Angaben zur Produktsicherheit:

Hersteller
IMT ARMATUREN AG

Adresse
Unterlettenstrasse 10
CH-9443 Widnau
Schweiz

E-Mail
verkauf@imt-ch.com Verantwortliche Person: Hubert Böttcher

Eigenschaften

Produktart: TAS, Thermische Ablaufsicherung
Abmessung (DN): DN 20
Abmessung (Zoll): 3/4"

Datenblätter