Zum Hauptinhalt springen Zur Suche springen Zur Hauptnavigation springen
Menü
Beschreibung

GROHE Rapid SL 3in1-Set Spülkasten GD 2, Abdeckplatte Skate Air weiss und Wandwinkel 38722001

Grohe Rapid SL 3 in 1 Set-Nummer 38722001 für Wand-WC

bestehend aus:

Grohe Rapid SL Spülkasten GD 2, 6-9 Liter (38 528 001)

  • Spülkasten GD 2
  • mit kleiner Revisionsöffnung
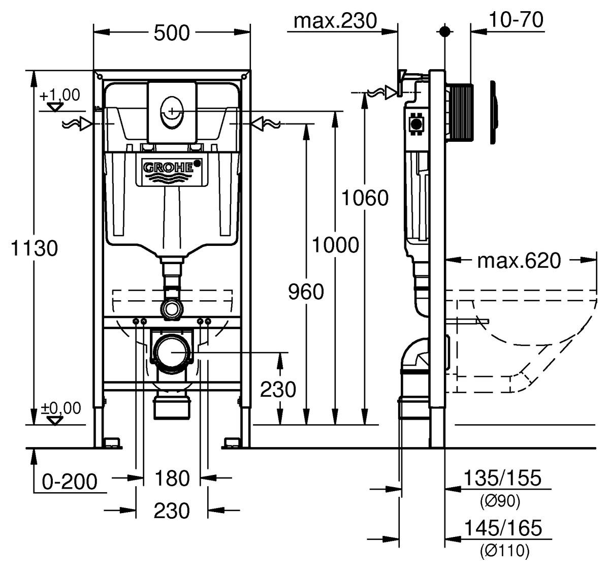
  • 1,13 m Bauhöhe
  • für Vorwand- oder Ständerwandmontage
  • Stahlrahmen pulverbeschichtet
  • selbsttragend
  • für Trockenverkleidung
  • komplett vormontiert
  • fixierte Objektanschlüsse
  • für Einzel- oder Schienenmontage
  • mit Schnellverstellung und Höhensicherung
  • Befestigungsmaterial
  • 2 WC-Haltebolzen
  • Keramikbefestigung
  • Schraubenabstand 180/230 mm
  • PP-Ablaufbogen DN 80, tiefenverstellbar
  • Reduzierstück DN 80/100
  • Zu- und Ablaufgarnitur
  • Spülkasten GD 2, 6-9 Liter
  • pneumatisches Ablaufventil mit drei Funktionen:
  • 2 Mengen oder Start & Stopp oder nicht unterbrechbar
  • Wasseranschluss von links/rechts/hinten
  • Armaturengruppe I
  • schwitzwasserisoliert
  • Wasseranschluss DN 15 mit integriertem Eckventil und werkzeugloser Schlauchverschraubung
  • werkzeuglos montierbarer
  • Revisionsschacht mit Rohbauschutz
  • vertikal oder horizontal einsetzbar

inklusive Grohe Abdeckplatte Skate Air alpinweiß (38 505 SH0)

  • für 2-Mengen- oder Start & Stopp-Betätigung
  • senkrechte Montage
  • 156 x 197 mm
  • alpinweiss
  • aus ABS

inklusive Grohe Rapid SL Wandwinkel (38 558 00M)

  • für Vorwandmontage
  • für die Befestigung der Elemente
  • am Mauerwerk oder vor der Ständerwand
  • stufenlose Tiefenverstellung von 130-230 mm
  • Verkleidungsauflage für Einzel- oder Schienenmontage
  • Befestigungsmaterial

Lieferumfang 3 in 1 Set 38722001:

  • Grohe Rapid SL Vorwandelement Höhe 113 cm mit Spülkasten GD 2, Nr. 38528001
  • Grohe Skate Air Abdeckplatte alpinweiss, Nr. 38505SH0
  • Grohe Rapid SL Wandwinkel, Nr. 3855800M
Eigenschaften
Serie: Rapid SL
Produktart: Spülkasten
Anwendungsbereich: Wand-WC
Bauhöhe (mm): 1130 mm
Sicherheitshinweise

Sicherheitshinweise

Bitte beachten Sie die folgenden Hinweise zur sicheren Nutzung der angebotenen Produkte.
Sie dienen der Vermeidung von Gefahren, Verletzungen sowie Sach- und Folgeschäden.

Die Nutzung darf ausschließlich bestimmungsgemäß und unter Beachtung aller mitgelieferten Produktinformationen erfolgen. Montage, Installation und Wartung dürfen – sofern erforderlich – nur durch qualifiziertes Fachpersonal durchgeführt werden.

Bewahren Sie alle sicherheitsrelevanten Informationen dauerhaft auf und geben Sie diese bei Weitergabe des Produkts an Dritte mit.

Sanitär- und Badprodukte

Sanitärprodukte stehen in direktem Zusammenhang mit der Trinkwasserversorgung und erfordern eine fachgerechte Installation.
Vor Beginn der Arbeiten ist die Wasserzufuhr vollständig abzusperren und das Leitungssystem drucklos zu machen.

Alle Verbindungen sind mit geeigneten Materialien fachgerecht abzudichten und nach der Montage sorgfältig auf Dichtheit zu prüfen. Bereits kleinste Undichtigkeiten können langfristig zu erheblichen Wasser- und Gebäudeschäden führen.

Bei Warmwasserinstallationen besteht Verbrühungsgefahr. Es wird empfohlen, geeignete Temperaturbegrenzungen oder Thermostatarmaturen einzusetzen.

Die geltenden Hygienevorschriften für Trinkwasserinstallationen sind einzuhalten. Verunreinigungen können gesundheitliche Risiken verursachen.

Bei Bade- und Duschsystemen besteht erhöhte Rutschgefahr, insbesondere bei Nässe. Geeignete Maßnahmen zur Rutschhemmung sollten berücksichtigt werden.

Unsachgemäße Montage oder Abdichtung von Duschen, Wannen oder Anschlüssen kann zu verdeckten Feuchtigkeitsschäden und Schimmelbildung führen.

Elektrische Komponenten und Systeme

Arbeiten an elektrischen Anlagen dürfen ausschließlich durch qualifizierte Elektrofachkräfte durchgeführt werden.

Vor Beginn von Arbeiten ist die Stromversorgung vollständig zu unterbrechen und gegen Wiedereinschalten zu sichern.

Elektrische Komponenten dürfen nicht mit Wasser oder Feuchtigkeit in Kontakt kommen, sofern sie nicht ausdrücklich dafür ausgelegt sind.

Beschädigte Kabel, Steckverbindungen oder Geräte dürfen nicht verwendet werden, da die Gefahr von Stromschlag oder Brand besteht.

Schwere und sperrige Produkte

Beim Transport und bei der Montage schwerer oder sperriger Produkte besteht eine erhöhte Verletzungsgefahr.

Der Transport sollte nach Möglichkeit durch mehrere Personen oder mit geeigneten Hilfsmitteln erfolgen.

Bei der Montage ist auf eine sichere Befestigung sowie auf die Tragfähigkeit von Wänden und Untergründen zu achten.

Unsachgemäße Handhabung kann zu Quetschungen, Stürzen oder Materialschäden führen.

Zusätzliche Hinweise

Die produktspezifischen Montageanleitungen, technischen Angaben und Sicherheitshinweise der jeweiligen Hersteller sind stets zu beachten und haben Vorrang.

Sicherheitshinweise

Sicherheitshinweise

Bitte beachten Sie die folgenden Hinweise zur sicheren Nutzung der angebotenen Produkte.
Sie dienen der Vermeidung von Gefahren, Verletzungen sowie Sach- und Folgeschäden.

Die Nutzung darf ausschließlich bestimmungsgemäß und unter Beachtung aller mitgelieferten Produktinformationen erfolgen. Montage, Installation und Wartung dürfen – sofern erforderlich – nur durch qualifiziertes Fachpersonal durchgeführt werden.

Bewahren Sie alle sicherheitsrelevanten Informationen dauerhaft auf und geben Sie diese bei Weitergabe des Produkts an Dritte mit.

Sanitär- und Badprodukte

Sanitärprodukte stehen in direktem Zusammenhang mit der Trinkwasserversorgung und erfordern eine fachgerechte Installation.
Vor Beginn der Arbeiten ist die Wasserzufuhr vollständig abzusperren und das Leitungssystem drucklos zu machen.

Alle Verbindungen sind mit geeigneten Materialien fachgerecht abzudichten und nach der Montage sorgfältig auf Dichtheit zu prüfen. Bereits kleinste Undichtigkeiten können langfristig zu erheblichen Wasser- und Gebäudeschäden führen.

Bei Warmwasserinstallationen besteht Verbrühungsgefahr. Es wird empfohlen, geeignete Temperaturbegrenzungen oder Thermostatarmaturen einzusetzen.

Die geltenden Hygienevorschriften für Trinkwasserinstallationen sind einzuhalten. Verunreinigungen können gesundheitliche Risiken verursachen.

Bei Bade- und Duschsystemen besteht erhöhte Rutschgefahr, insbesondere bei Nässe. Geeignete Maßnahmen zur Rutschhemmung sollten berücksichtigt werden.

Unsachgemäße Montage oder Abdichtung von Duschen, Wannen oder Anschlüssen kann zu verdeckten Feuchtigkeitsschäden und Schimmelbildung führen.

Elektrische Komponenten und Systeme

Arbeiten an elektrischen Anlagen dürfen ausschließlich durch qualifizierte Elektrofachkräfte durchgeführt werden.

Vor Beginn von Arbeiten ist die Stromversorgung vollständig zu unterbrechen und gegen Wiedereinschalten zu sichern.

Elektrische Komponenten dürfen nicht mit Wasser oder Feuchtigkeit in Kontakt kommen, sofern sie nicht ausdrücklich dafür ausgelegt sind.

Beschädigte Kabel, Steckverbindungen oder Geräte dürfen nicht verwendet werden, da die Gefahr von Stromschlag oder Brand besteht.

Schwere und sperrige Produkte

Beim Transport und bei der Montage schwerer oder sperriger Produkte besteht eine erhöhte Verletzungsgefahr.

Der Transport sollte nach Möglichkeit durch mehrere Personen oder mit geeigneten Hilfsmitteln erfolgen.

Bei der Montage ist auf eine sichere Befestigung sowie auf die Tragfähigkeit von Wänden und Untergründen zu achten.

Unsachgemäße Handhabung kann zu Quetschungen, Stürzen oder Materialschäden führen.

Zusätzliche Hinweise

Die produktspezifischen Montageanleitungen, technischen Angaben und Sicherheitshinweise der jeweiligen Hersteller sind stets zu beachten und haben Vorrang.

Produktsicherheit

Hersteller
GROHE Deutschland Vertriebs GmbH

Adresse
Zur Porta 9
32457 Porta Westfalica
Deutschland

E-Mail
helpline@grohe.de

Produktgalerie überspringen

Zubehörartikel

Ideal Standard Wand-Tiefspül-WC Eurovit weiß V390601 - Bild 1
Art.-Nr. V390601
Ideal Standard Wand-Tiefspül-WC Eurovit weiß V390601

Auf Lager
Lieferzeit: 3-5 Werktage

Regulärer Preis: 83,90 €
Grohe Wand-Tiefspül-WC Bau Keramik Abgang waagerecht spülrandlos alpinweiß 39427000 - Bild 1
Art.-Nr. 39427000
GROHE Wand-Tiefspül-WC spülrandlos Bau Keramik, Abgang waagerecht, alpinweiß 39427000

Auf Lager
Lieferzeit: 3-5 Werktage

Regulärer Preis: 93,90 €
Ideal Standard Wand-Tiefspül-WC Eurovit ohne Spülrand weiß K284401 - Bild 1
Art.-Nr. K284401
Ideal Standard Wand-Tiefspül-WC Eurovit ohne Spülrand weiß K284401

Auf Lager
Lieferzeit: 3-5 Werktage

Regulärer Preis: 164,90 €