Zum Hauptinhalt springen Zur Suche springen Zur Hauptnavigation springen
Menü

Beschreibung

Geberit Rohrschott90 Plus EN DN 90, für Silent Pro/db20/Silent PP/Geberit PE

Verwendungszwecke:

  • Für Geberit Silent-Pro
  • Für Geberit Silent-db20
  • Für Geberit Silent-PP
  • Für Geberit PE
  • Zum Schutz vor Rauch- und Feuerausbreitung
  • Für Rohrdurchführungen 0G-90G in Wand oder Decke
  • Zum Einbau in Decken und Wänden mit Feuerwiderstand F 30 bis F 90, teilweise oder ganz eingemörtelt
  • Zum schrägen Einbau in Decken und Wände der Feuerwiderstandsklasse F 30 bis F 90, teilweise oder ganz eingemörtelt
  • Zum Einbau in Decken und Wänden über Geberit Silent-Pro und Geberit Silent-PP Steckmuffen
  • Für Decken- und Wandstärken>= 100 mm geeignet
  • Zum Einbau in Decken und Wänden über Geberit Schalldämmmatte Isol Flex und AF/Armaflex Dämmung
  • Zum Einbau in Decken im Nullabstand zu Absperrvorrichtungen entspricht DIN 18017-3
  • Zum Einbau in Decken und Wänden im Nullabstand zueinander und zu Geberit Versorgungssystemen
  • Zum Einbau in Decken bei stockwerksdurchdringenden Duschabläufen Geberit CleanLine und Geberit Setaplano
  • Zum nachträglichen Einbau in Decken und Wände mit Feuerwiderstandsklasse F 30 bis F 90

Eigenschaften:

  • Feuerwiderstandklasse R 30, R 60 und R 90 entspricht DIN 4102-11

Technische Eigenschaften:

  • Werkstoff: Edelstahl
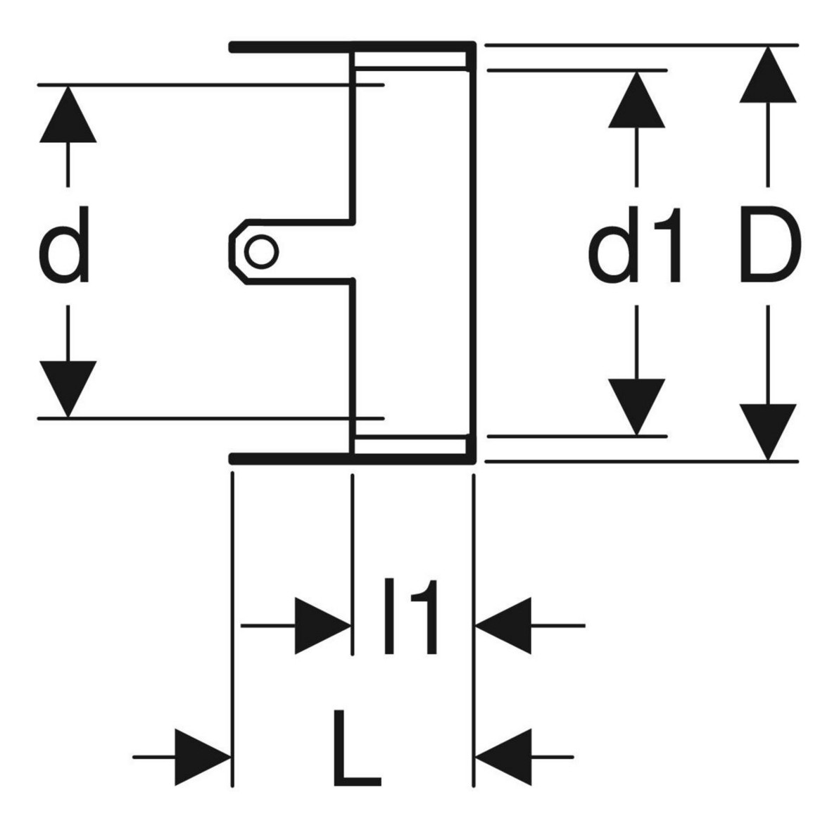
  • L / Länge (cm): 8,5 cm
  • D / Außendurchmesser (cm): 11,9 cm
  • d, D / Außendurchmesser (mm): 90 mm
  • DN / Nennweite: 90
  • Marke: Geberit
  • Artikelnummer: 348.332.00.2

Eigenschaften

Produktart: Rohrschott
Anwendungsbereich: Brandschutz
Abmessung (DN): DN 90
Produktsicherheit
Angaben zur Produktsicherheit:

Hersteller
Geberit Vertriebs GmbH

Adresse
Theuerbachstraße 1
88630 Pfullendorf
Deutschland

E-Mail
sales.de@geberit.com

Eigenschaften

Produktart: Rohrschott
Anwendungsbereich: Brandschutz
Abmessung (DN): DN 90